|
产品中心 |
|
|
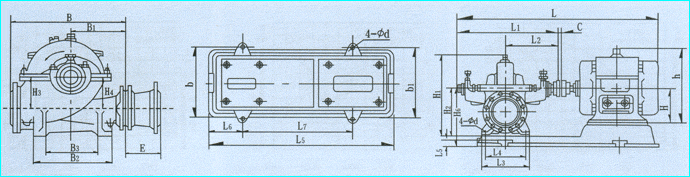
| S、SH型单级双吸泵 |

S、SH型单级双吸泵壳中开之离心泵,供抽送清水或物理化学性质类似于水的其它液体之用。被输送液体温度不得高于80℃。适用于工厂、矿山、城市给水、电站、农田排灌和各种水利工程。
|
S、SH型单级双吸泵结构原理图:

S、SH型单级双吸泵法兰安装尺寸图:

S、SH型单级双吸泵外形安装尺寸图:

S、SH型单级双吸泵外形安装尺寸表:

S、SH型单级双吸泵外形安装尺寸图:

S、SH型单级双吸泵外形安装尺寸表:

|
|
| |
|
| |
|
 |
 |
|
ZX型卧式自吸离心泵
|
|
|
 |
|
QBK气动双隔膜泵
|
|
|
 |
|
CQ型磁力泵
|
|
|
 |
|
IH型化工离心泵
|
|
|
 |
|
ISG型管道离心泵
|
|
|
 |
|
GDL型立式多级管道...
|
|
|
 |
|
XBD-W型卧式单级...
|
|
|
 |
|
ZW型自吸排污泵
|
|
|
 |
|
CYZ型自吸离心油泵
|
|
|
 |
|
ZB3A不锈钢转子泵
|
|
|
 |
|
XBD系列全自动(变...
|
|
|
 |
|
ISW卧式离心泵
|
|
|
|
|
|
|
|
 |
|