|
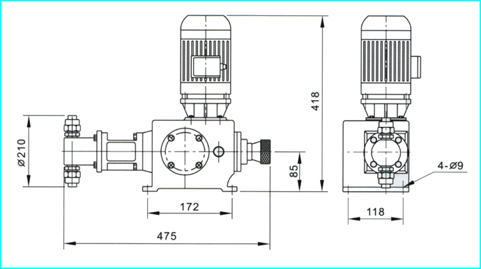
J-X系列柱塞式计量泵外形安装尺寸

产品概述
J-X系列柱塞式计量泵主要是往复式柱塞泵、活塞泵,按泵的缸数可分为单缸、双缸、三缸等多种类型。
该泵可广泛用于石油、化工、纺织、食品、造纸、原子能技术、电厂、塑料、制药、水厂、环保等工业和科技部门。用来向加压或常压容器及管道内精确定量输送不含固体颗粒的液体。其流量可以开机(或定机)时从0-100%范围内无级调节。(根据计量泵的特性,最少行程一般不小于总行程的10%)单缸泵适用于单一液体的场合;双缸泵可作比例泵使用,也可并联使用;三缸泵可作为三比例泵使用,也可三缸并联,以达到较大排量,增高了液体的脉冲频率,促使液体连续顺畅加入;六缸泵可达三缸泵二倍效果。
该型泵可输送温度-30℃—100℃,粘度为0.3—800mm2/s不含固体颗粒等腐蚀性或非腐蚀性液体介质。
不同型号的计量泵均可根据用要求装配变频电机(能接收4-20mA电流信号)或防爆电机。
泵的型号规格及参数请参考本公司的产品样本。
结构原理
1泵的结构:该泵的由电机、传动箱、缸体等三部份组成。
2传动箱部件是由弓型连杆凸轮机构、行程调节机构和速比蜗轮机构
组成;通过旋转调节手轮来实行高调节行程,从面改变弓型连杆中前后距离来达到改变柱塞(活塞)行程的目的。
3缸体部件是由泵头、吸入阀组、排出阀组、柱塞和填料密封件组成。
4工作原理:电机经联轴器带动蜗杆并通过蜗轮减速使主轴和偏心轮作回转运动,由偏心轮带动弓型连杆的滑动调节座内作往复运动。连同膜片,通过单向阀的作用使泵腔内逐渐形成真空,吸入阀打开,吸入液体;当膜片向前死点移动时,此时吸入阀关闭,排出阀打开,液体在膜片的推动下排出。在泵通过调节一定的行程的往复顺还工作形成连续有压力、定量的排放液体。
5流量调节特性:泵的流量调节是靠旋转调节手轮,带动调节螺杆转动,从而改变弓型连杆间的间距,改变膜片在泵腔内移动行程来决定流量的大小。调节手轮的刻度决定膜片行程,精确率为95%.
上一页 [1] [2] [3] 下一页 |