|
MPÐÍ´ÅÁ¦Çý¶¯Ñ»·±Ã½á¹¹Í¼£º
´ÅÁ¦Çý¶¯Ñ»·±ÃÔËתÊÇÔÚÁ¬ÖáÉϺÍÒ¶ÂÖÉÏ·Ö±ð×°ÅäÓдÅÐÔ²ÄÁ϶ø»¥ÏàÎüÒýżºÏ£¬ÎÞÐèÅäÒÔ´«Í³»úеÖá·â£¬Òò¶øÊÇÍêÈ«ÃÜ·âµÄ¡£µç¶¯»úת¶¯Å¤Á¦ÊÇͨ¹ýÖ÷¶¯´Å¼°¼°´Ó¶¯´ÅµÄÒýÁ¦´ø¶¯Ò¶Æ¬¹¤×÷ÔËת¡£ÏÖ½ñ¹ßÓõĴÅÁ¦Çý¶¯±Ã¼«´óµÄȱµãÊÇÔÚȱҺÇé¿öϾø¶ÔÑϽûÔËת·ñÔòÕû»ú½«»Ù»µ£¬¸øÊ¹ÓÃÕßÔöÌí²»±ØÒªµÄÂé·³ºÍ·³ÄÕ¡£"ÉϺ£¹âÕý"µÄ´ÅÁ¦Çý¶¯±ÃÔò²»±ØÎª´Ëµ£ÐÄ¡£Ëü²ÉÑ¡ÁËÒ»ÖÖÌØ±ðÉè¼ÆµÄÌØÅä·½ÌÕ´É×÷Öá³Ð£¬¾ßÓм«Ç¿µÄÄÍÄ¥ÐԺͿ¹¸¯Ê´ÐÔ£¬Ê¹ÆäÏȽøÐÔÄܺÍÖÊÁ¿°²È«µÃÒÔ¾ø¶ÔµÄ±£Ö¤¡£ ´ÅÁ¦Çý¶¯Ñ»·±Ã¸ÅÓÃÎÞÖá·âÉè¼Æ£¬ÍêÈ«±ÜÃâÁË´«Í³»úеÖá·â±Ã´æÔÚµÄÒºÌåй©ÒýÆðµÄ¸¯Ê´ºóÎÛȾµÄȱÏÝ£¬Ê**¤ÒµÉ豸ÉÏ×îÀíÏëµÄÒºÌåÊäËͱÃ
|
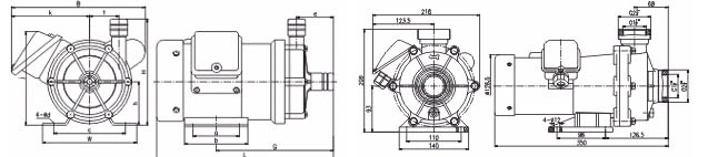
²¿ ¼þ 1¡¢¹Ì¶¨ÂÝÏß¼°µæÈ¦ 2¡¢±Ã¿Ç 3¡¢±ÃÖá 4¡¢Ò¶ÂÖ 5¡¢±»¶¯´ÅÌú 6¡¢ÃÜ·âȦ 7¡¢¸ôÀëÌ× 8¡¢Ö÷¶¯´ÅÌú 9¡¢µç»ú |
²Ä ÁÏ ²»Ðâ¸Ö ¾Û±þÏ©ÔöÇ¿²£Á§ÏËά Ñõ»¯ÂÁÌÕ´É ¾Û±þÏ©ÔöÇ¿²£Á§ÏËά ïÈÌúÑõÌå ·úÏ𽺠¾Û±þÏ©ÔöÇ¿²£Á§ÏËά ïÈÌúÑõÌå |
 |
ÍâÐΰ²×°³ß´ç£º

| ÐÍ¡¡¡¡ºÅ |
a |
b |
c |
d |
e |
f |
G |
h |
H |
W |
L |
| MP-15R |
49 |
63 |
68 |
6 |
38 |
23 |
121 |
45 |
100 |
82 |
196.5 |
| MP-15RN |
49 |
63 |
68 |
6 |
39.5 |
24.5 |
117.5 |
46 |
100 |
82 |
180 |
| MP-20R |
30 |
50 |
68 |
5.5 |
38.5 |
28.5 |
131.5 |
56 |
116 |
85 |
209 |
| MP-20RZ |
30 |
50 |
68 |
5.5 |
40 |
40 |
134 |
56 |
126 |
85 |
212 |
| MP-20RM |
30 |
50 |
68 |
5.5 |
34 |
28.5 |
127 |
56 |
117 |
85 |
204.5 |
| MP-30R |
40 |
64 |
100 |
9 |
48 |
30 |
166.5 |
60 |
130 |
120 |
249.5 |
| MP-30RZ |
40 |
64 |
100 |
9 |
40 |
40 |
151 |
60 |
130 |
120 |
234 |
| MP-30RM |
40 |
64 |
100 |
9 |
48 |
30 |
166.5 |
60 |
130 |
120 |
249.5 |
| ÐÍ ºÅ |
a |
b |
c |
d |
e |
f |
G |
h |
H |
W |
L |
| MP-20RX |
30 |
50 |
68 |
5.5 |
46.5 |
- |
143 |
56 |
130 |
85 |
220.5 |
| MP-30RX |
40 |
64 |
100 |
9 |
48 |
- |
169.5 |
60 |
138 |
120 |
252.5 |
| MP-40RX |
40 |
64 |
100 |
9 |
48 |
- |
170.5 |
60 |
138 |
120 |
277 |
|

|
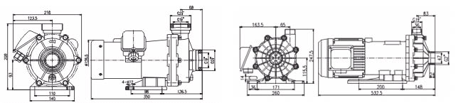
| ÐÍ¡¡¡¡ºÅ |
a |
b |
c |
d |
e |
f |
G |
h |
H |
W |
L |
B |
J |
K |
| MP-40R |
40 |
64 |
100 |
9 |
48 |
30 |
167.5 |
60 |
130 |
120 |
274 |
- |
118 |
60 |
| MP-40RM |
40 |
64 |
100 |
9 |
48 |
30 |
167.5 |
60 |
130 |
120 |
274 |
- |
118 |
60 |
| MP-55R |
40 |
64 |
100 |
9 |
56.5 |
43 |
198.5 |
65.5 |
161 |
120 |
275 |
- |
140 |
54 |
| MP-55RZ |
40 |
64 |
100 |
9 |
56.5 |
43 |
198.5 |
65.5 |
161 |
120 |
275 |
- |
140 |
54 |
| MP-70R |
70 |
96 |
108 |
9.5 |
55.75 |
44 |
177 |
66 |
161 |
142 |
267 |
202 |
142 |
118 |
| MP-70RM |
70 |
96 |
108 |
9.5 |
52.75 |
44 |
174 |
66 |
156 |
142 |
264 |
202 |
142 |
118 |
| MP-100R |
70 |
100 |
110 |
9 |
66 |
44 |
195.5 |
74 |
174 |
156 |
322 |
202 |
150 |
118 |
| MP-100RM |
70 |
100 |
110 |
9 |
66 |
44 |
195.5 |
74 |
174 |
156 |
322 |
202 |
150 |
118 |
| MP-100RX |
70 |
100 |
110 |
9 |
63 |
40 |
196.5 |
74 |
174 |
156 |
323 |
205 |
167 |
124 |
| MP-120R |
98 |
130 |
110 |
12 |
80 |
51 |
184.5 |
93 |
208 |
140 |
359 |
216 |
187 |
123 | |
|
|
| ÐÍ ºÅ |
a |
b |
c |
e |
f |
G |
h |
H |
W |
L |
J |
K |
| MPH-400 |
98 |
130 |
110 |
80 |
51 |
188 |
94 |
209 |
140 |
384 |
183 |
128 |
| MPH-401 |
130 |
175 |
130 |
98 |
57.5 |
244 |
114 |
247 |
160 |
475 |
208 |
137 | |
|
|
|
1¡¢ÂÝÎÆ½Ó¿Úʽ±ÃÐÔÄܼ°°²×°³ß´çͬÈí¹Ü½Ó¿Úʽ±Ã£» 3¡¢MHP-400´ÅÁ¦±Ã×°ÅäµÄµç¶¯»ú¿ÉÑ¡ÅäIEC±ê×¼³ß´ç71µÄ 0.37kW·¨À¼½Ó¿ÚµÄµç¶¯»ú 5¡¢G=Ó¢¹úÖ±¹ÜÂÝÎÆ¹æ¸ñ£» |
2¡¢MP-120RT´ÅÁ¦±Ã½Ó¿ÚÈ«ÐÂÉè¼Æ£¬×°²ð·½±ã¿ì½Ý£¬ÊÊºÏ ÓÚ¼ÒÍ¥¹ÛÉÍÓã»òº£ÏÊÑøÖ³µÈÐÐÒµ£» 4¡¢MPH-401´ÅÁ¦±Ã×°ÅäµÄµç¶¯»ú¿ÉÑ¡ÅäIEC±ê×¼³ß´ç80µÄ 0.75kW·¨À¼½Ó¿ÚµÄµç¶¯»ú¡£ 6¡¢¹æ¸ñºÍ³ß´çÈçÓиü¸ÄË¡²»ÁíÐÐ֪ͨ¡£ |
MPϵÁдÅÁ¦Çý¶¯Ñ»·±ÃÇúÏßͼ£º
| ¡¡¡¤ MPH-400ÐÍ¡ªMPH-423 |
¡¡ |
|
|
-
×¢£º³£ÎÂÇåË®Ìõ¼þÏ£¬×î´óÁ÷Á¿Ê±Ñï³ÌΪ0£» ¡¡¡¡ ×î¸ßÑï³ÌʱÁ÷Á¿Îª0¡£ ¡¡¡¡ µ¥Ïàµç¶¯»ú¹¤×÷µçѹ·ÖΪ100V¡¢110V¡¢220V¡¢ ¡¡¡¡ 240V£¬ÈýÏàµç¶¯ ¡¡¡¡ »ú¹¤×÷µçѹΪ380V¡£ ¡¡¡¡ Õý³£µÄÊäËͽéÖÊζÈΪ0~80¡æ¡£ ¡¡¡¡ ÈçÓÐÒªÇó¸ü¸ß¹¤×÷»·¾³¿ÉÐÉ̽â¾ö |
ÉÏÒ»Ò³ [1] [2] |